


Description
Used when an offset is needed, this tee facilitates inspection, maintenance and cleaning. Tee cap includes a nut driver.
•Strong and durable venting thanks to its outer wall in galvalume steel and its inner wall in stainless steel
•Revolutionary gasket system that prevents leaks and does not require the use of silicone
•Smooth-weld technology for virtually invisible seams
• Precision formed ends for a better finish
•Complies with NFPA 211, CSA B365, UL 641, CAN/ULC S609 and ULC/ORD C441 standards
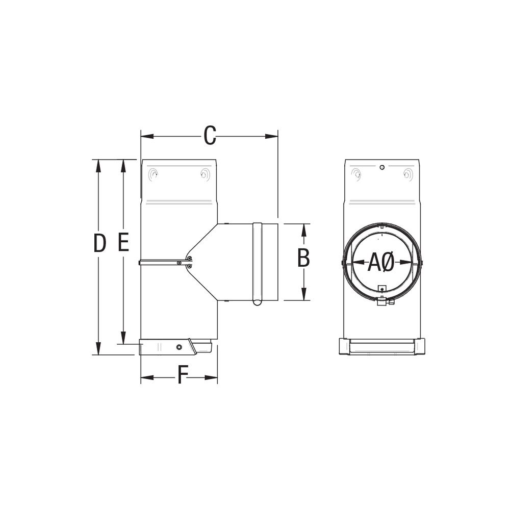
Dimensions
AØ : 3"
B : 3.75"
C : 6.68"
D : 9.51"
E : 8.99"
F : 3.75"